Внимание: Santreyd — информационный посредник. Товары представлены в рамках параллельного импорта. Изображения и описания носят информационный характер.
+7 (485) 260-70-14

Комнатный термостат Wilma для RDF310.2/ММ полускрытого монтажа RDF3102MM

Артикул: RDF3102MM Бренд: Wilma Код: 100 635 105
0
Важная информация для покупателей:

Santreyd является информационным посредником. Товары представлены в рамках параллельного импорта. Изображения и описания носят информационный характер и могут отличаться от оригинала.

Информация о рекламодателе объявление № 635105 от 08.06.2020 г. ООО "САН&nbps;&nbps;&nbps;
Сведения о рекламодателе предоставляется по запросу Правообладателя и/или контролирующих структур

Цена товара
8 200 / шт
Отправьте запрос, чтобы узнать актуальную цену и условия поставки
Под заказ Сроки поставки уточните у менеджера
Укажите количество:шт Итого ( 1 x 8 200 ) :8 200

Основные характеристики

Бренд
Wilma
Страна производителя
Россия
Гарантия
-
Размеры
50 x 100 x 30
Вес
10
Цвет
-
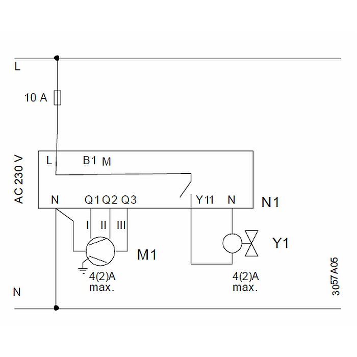
Комнатный термостат Wilma RDF310.2/MM полускрытого монтажа предназначен для управления температурой помещения в отдельных комнатах и зонах, воздух в которых нагревается или охлаждается с помощью 2-трубных фэнкойлов. Термостат способен управлять 3-скоростным вентилятором и приводом клапана в двухтрубной системе. Прибор подходит для использования в системах со следующими функциями: непрерывный режим нагрева или охлаждения; ручное переключение «нагрев» / «охлаждение». Термостат управляет клапаном с двухпозиционным приводом или с подключением привода откр/закр по трехпроводной схеме. Прибор имеет два режима работы: нормальный и режим «Ожидания». Регулируемые параметры наладки и управления. На удобный ЖК-дисплей выводятся параметры наладки и управления. С помощью термостата можно устанавливать максимальное и минимальное температурное ограничение. На дисплее отображается температура с шагом 0,5 оС. Рабочее напряжение термостата составляет АС 230 В. Монтировать термостат можно на прямоугольную распределительную коробку, центры крепления на расстоянии 60,3 мм. Пользовательские настройки и конфигурации термостата сохраняются и могут быть восстановлены в случае потери электропитания. Переключаться между режимами нагрева и охлаждения необходимо в ручном режиме. Управлять 3-скоростным насосом можно как в ручном, так и в автоматическом режиме. Выбор режима работы термостата происходит с помощью нажатия кнопок. Купить комнатный термостат Wilma RDF310.2/MM полускрытого монтажа можно в нашем интернет-магазине по самой выгодной цене с доставкой.
Информация для покупателей:

Все описания товаров составлены на основе открытых данных и технической документации. Изображения товаров носят информационный характер и могут отличаться от оригинала.

Артикул RDF3102MM
Бренд Wilma
Монтаж на стену (прямоугольная коробка 60,3 мм)
Глубина 30
Вес 10
Высота 100
Длина 50
Страна изготовления Россия
Электропитание, ф/Гц/В через привод
Типовая категория Радиаторы » Конвекторы
Модель RDF310.2/MM
Применение управление системами отопления и кондиционирования
Тип комнатный термостат с датчиком температуры воздуха
Вид проводной
Управление электронное кнопочное
Режимы работы 2 – «Нормальный» и «Ожидание»
Выбор режима ручной
Переключение между режима... ручное
Режим управления 3-скорос... автоматический
Регулируемый диапазон тем... +5 … +40 оС
Заводская настройка +20 оС
Рабочая температура 0 … +50 оС
Рабочее напряжение АС 230 В ±10%
Частота 50-60 Гц
Потребляемая мощность 4 ВА
Управление вентилятором /... АС 230 В, 5 мА…4(2) А
Дифференциал включения 0,5...4 К
Встроенный датчик темпера... да
Диапазон измерения датчика 0…49 оС
Шаг настройки температуры 0,5 оС
Тип электронного управления 2В (микроотключение при работе)
Степень защиты IP30
Разъемы подключения одножильный провод 1х0,4-1,5 кв.мм
Цвет белый

Отзывы покупателей

0 на основе 0 отзывов

Вопросы и ответы

Здесь вы можете найти ответы на часто задаваемые вопросы или задать свой вопрос о товаре.

Как можно оплатить заказ?

Оплата товаров производится по выставленому счету нашим менеджером, после оформления заказа. Доступные способы оплаты отображены в «Корзине» в момент оформления.

Отвечен 10 марта 2025

Условия доставки и оплаты

ДОСТАВКА ПО МОСКВЕ И ОБЛАСТИ:
Экспресс‑доставка за один день!

Доставка осуществляется в рабочие дни (пн–пт) с 8:00 до 23:00.

По Москве: 2–5 рабочих дня при наличии товара на складе. Стоимость – 1500 ₽.

По Московской области: 2–10 рабочих дней при наличии товара на складе и свободного транспорта. Стоимость – 1500 ₽ + 80 ₽/км. Покупатель обязан обеспечить возможность подъезда автомобиля и зону для разгрузки. Разгрузка производится силами покупателя.

Экспресс-доставка за 1 день: оплатите заказ до 9:00 – привезём в тот же день до 23:00 (при наличии на складе). Стоимость – 6500 ₽.

Время доставки согласовывается с покупателем заранее и дополнительно уточняется в день доставки. Указанное время является ориентировочным и зависит от дорожной ситуации и форс-мажоров. В связи с высокой загруженностью логистики просим с пониманием отнестись к возможным задержкам.

ДОСТАВКА ПО ВСЕЙ РОССИИ
Во все регионы круглый год

Во все регионы круглый год. Надёжные ТК: СДЭК, Деловые Линии, ПЭК, Байкал Сервис.

Варианты оплаты доставки:

Напрямую перевозчику — в счёте появится услуга «Организация перевозки с полным сопровождением» (499 руб.). Стоимость перевозки оплачивается отдельно по тарифу ТК.

Через нас (выгодно до –30%) - в счёте также услуга «Организация перевозки с полным сопровождением» (499 руб.), а стоимость перевозки рассчитывается автоматически: выбираем лучшую цену, применяем наши скидки от ТК на перевозку и упаковку. Важно: рассчитанная стоимость – ориентировочная. После упаковки и взвешивания возможна корректировка – разницу покупатель обязан доплатить на основании транспортной расписки (прозрачно, без скрытых переплат).

Варианты оплаты доставки:

  • Указание адреса при заказе не является основанием для доставки до адреса. Товар по умолчанию поставляется до терминала ТК в вашем городе получения (исключение: СДЭК и DPD – доставка до адреса возможна при весе посылки не более 40 кг).
  • Стоимость доставки и транспортировочной упаковки оплачивает покупатель.
  • Цена доставки может превышать цену товара.
  • Сроки доставки: от 10 до 30 календарных дней (зависят от правил выбранной ТК).
СПОСОБЫ ОПЛАТЫ:
QR, картой, переводом

Выбирайте то, что удобно:

  • Онлайн банковской картой — через защищённый платёжный шлюз
  • По счёту — банковский перевод по реквизитам
  • По QR‑коду — быстро и без лишних действий

Оплата наличными и при получении недоступна.

Все заказы принимаются только при 100% предоплате в соответствии с условиями договора.

Гарантия на товар

Гарантия 12 месяцев

Комнатный термостат Wilma для RDF310.2/ММ полускрытого монтажа RDF3102MM предоставляется с гарантией 12 месяцев с момента покупки.

Условия гарантии:
  • Гарантия распространяется на производственные дефекты
  • Гарантийный талон должен быть заполнен и заверен печатью продавца
  • Товар должен использоваться по назначению и в соответствии с инструкцией
  • Гарантия не распространяется на повреждения, вызванные неправильной установкой или эксплуатацией
Важная информация:

Гарантийные обязательства выполняются в рамках законодательства РФ о параллельном импорте. Для предъявления претензий по гарантии необходимо обратиться к продавцу.

Цена по запросу
Товар: "Обои виниловые бежевые 0.70 м 919653 RASCH Safrano" добавлен в корзину
Оформить заказ
Товар добавлен в корзину
Оформить заказ
Ваша оценка учтена
Общая оценка товара: 3.5
Вывод сообщения о неверном действии со стороны пользователя
Сообщение об успешном действии: отправлена форма, успешный вход и т.д.
Сообщение об успешном действии: отправлена форма, успешный вход и т.д.