Внимание: Santreyd — информационный посредник. Товары представлены в рамках параллельного импорта. Изображения и описания носят информационный характер.
+7 (485) 260-70-14

Danfoss MLZ — герметичные спиральные компрессоры MLZ048T4LQ9A Компрессор спиральный 121L8809

Артикул: 121L8809 Бренд: DANFOSS Код: 102 064 807
0
Важная информация для покупателей:

Santreyd является информационным посредником. Товары представлены в рамках параллельного импорта. Изображения и описания носят информационный характер и могут отличаться от оригинала.

Информация о рекламодателе объявление № 2064807 от 30.07.2021 г. ООО "САН&nbps;&nbps;&nbps;
Сведения о рекламодателе предоставляется по запросу Правообладателя и/или контролирующих структур

Цена товара
138 360 / шт
Отправьте запрос, чтобы узнать актуальную цену и условия поставки
Под заказ Сроки поставки уточните у менеджера
Укажите количество:шт Итого ( 1 x 138 360 ) :138 360

Основные характеристики

Бренд
DANFOSS
Страна производителя
Дания
Гарантия
-
Размеры
-
Вес
37
Цвет
-

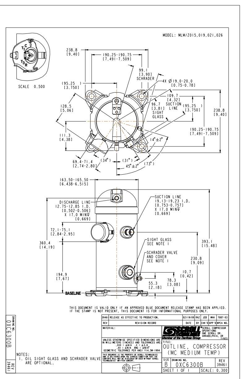
Герметичные спиральные компрессоры применяются в холодильных системах средне- и высокотемпературного применения. Данная серия компрессоров одобрена для работы с хладагентами R22, R404A, R507, R134a, R407A, R407F, R448A, R449A, R452A, R513A и поставляется с заправкой полиэфирного масла (MLZ116 с поливинилэфирным маслом PVE).

  • Модельный ряд от 2 до 15 TR (тонн холода)
  • Исполнение патрубков под пайку и под резьбу
  • Широкая область эксплуатации, подходит для различных применений
  • Высокая эффективность и надежность
  • Электродвигатель полностью охлаждается всасываемым газом
  • Оптимизированы для параллельного применения
Информация для покупателей:

Все описания товаров составлены на основе открытых данных и технической документации. Изображения товаров носят информационный характер и могут отличаться от оригинала.

Артикул 121L8809
Бренд DANFOSS
Вес 37
Страна изготовления Дания
Вес нетто, кг 37
Уровень мощности шума при... 72
Уровень мощности шума при... 64
LRA (ток при заторможенно... 87
MCC (Максимальный непреры... 16
Тип упаковки Индивидуальная
Патрубок под ротолок, лин... 1 1/4"
Патрубок под ротолок, лин... 1 1/4"
Смотровое стекло для конт... 1 1/8"-18 UNEF
Штуцер для слива масла Под отбортовку 1/4"
Гарантийные обязательства Изготовитель/продавец гарантирует соответствие компрессора герметичного техническим требованиям при соблюдении потребителем условий транспортирования, хранения и эксплуатации.Гарантийный срок эксплуатации и хранения составляет - 12 месяцев с даты продажи, указанной в транспортных документах, или 18 месяцев с даты производства. Срок службы компрессора герметичного спирального при соблюдении рабочих диапазонов согласно паспорту/инструкции по эксплуатации и проведении необходимых сервисных работ  10 лет даты продажи, указанной в транспортных документах. Гарантия на изделие может считаться аннулированной и не имеющей силы в следующих случаях изменение внешнего вида компрессора (отсутствие заводской таблички, следы сверления и сварки, сломанные опоры, следы ударов), компрессор вскрыт покупателем или возвращен открытым (т.е. с открытыми нагнетательным и всасывающим патрубками), наличие ржавчины и воды внутри компрессора, добавление в масло жидкости для обнаружения течи, использование хладагента или масла, не разрешенного заводом-изготовителем, любое отклонение от рекомендованных правил установки, эксплуатации или технического обслуживания, использование компрессора в средствах передвижения (кораблях, поездах, автомобилях и т.п.) или во взрывоопасных условиях (распределительная коробка компрессора не является взрывозащищенной). Дата изготовления компрессора указывается на его заводской табличке при помощи двухбуквенного кода, стоящего перед цифрами, обозначающими серийный номер компрессора. Помните, что этот серийный номер должен всегда указываться на любой рекламации, сопровождающей данное изделие. Выяснение причин выхода из строя компрессора производится специальной экспертной комиссией. В случае выхода из строя компрессора в результате заводского дефекта ООО Данфосс компенсирует Покупателю стоимость компрессора. ООО Данфосс не компенсирует издержки, превышающие стоимость компрессора. В остальном, отношения между Покупателем и ООО Данфосс регулируются Договором между Покупателем и ООО Данфосс.
Комплектность Компрессор поставляется с необходимым комплектом для монтажа компрессоры в индивидуальной упаковке поставляются с четырьмя резиновыми установочными прокладками, металлическими втулками, болтами, шайбами
Назначение изделия Компрессор герметичный типа MLZ (далее по тексту - компрессор) является спиральным компрессором, предназначен для работы в холодильных установках, работающих по парокомпрессионному циклу.Компрессор герметичный типа MLZ может использоваться с хладагентами R22, R134a, R404A, R507, R407A, R407F, R448A, R449A, R452A и поливинилэфирным маслом (POE) 215PZ. Не предназначены для контакта с питьевой водой в системах хозяйственно-питьевого водоснабжения.
Хладагент R404A
Максимальная потребляемая... 7321
Диапазон напряжения питания 340  460 В / 50 Гц 414  506 В / 60 Гц
Потребляемый ток, А 9,914
Холодильный коэффициент, ... 1,95
Объемная производительнос... 18,7
Заправка масла, дм3 1,6
Сопротивление обмотки, Ом... 1,7/ 1,7/ 1,7/
Потребляемая мощность, Вт 5376
Рабочий объём, см3/об 107,5
Холодопроизводительность,... 10490
Условия испытания EN12900 Температура кипения = -10ºC Температура конденсации = +45ºC Перегрев = 10K Переохлаждение = 0K

Отзывы покупателей

0 на основе 0 отзывов

Вопросы и ответы

Здесь вы можете найти ответы на часто задаваемые вопросы или задать свой вопрос о товаре.

Как можно оплатить заказ?

Оплата товаров производится по выставленому счету нашим менеджером, после оформления заказа. Доступные способы оплаты отображены в «Корзине» в момент оформления.

Отвечен 10 марта 2025

Условия доставки и оплаты

ДОСТАВКА ПО МОСКВЕ И ОБЛАСТИ:
Экспресс‑доставка за один день!

Доставка осуществляется в рабочие дни (пн–пт) с 8:00 до 23:00.

По Москве: 2–5 рабочих дня при наличии товара на складе. Стоимость – 1500 ₽.

По Московской области: 2–10 рабочих дней при наличии товара на складе и свободного транспорта. Стоимость – 1500 ₽ + 80 ₽/км. Покупатель обязан обеспечить возможность подъезда автомобиля и зону для разгрузки. Разгрузка производится силами покупателя.

Экспресс-доставка за 1 день: оплатите заказ до 9:00 – привезём в тот же день до 23:00 (при наличии на складе). Стоимость – 6500 ₽.

Время доставки согласовывается с покупателем заранее и дополнительно уточняется в день доставки. Указанное время является ориентировочным и зависит от дорожной ситуации и форс-мажоров. В связи с высокой загруженностью логистики просим с пониманием отнестись к возможным задержкам.

ДОСТАВКА ПО ВСЕЙ РОССИИ
Во все регионы круглый год

Во все регионы круглый год. Надёжные ТК: СДЭК, Деловые Линии, ПЭК, Байкал Сервис.

Варианты оплаты доставки:

Напрямую перевозчику — в счёте появится услуга «Организация перевозки с полным сопровождением» (499 руб.). Стоимость перевозки оплачивается отдельно по тарифу ТК.

Через нас (выгодно до –30%) - в счёте также услуга «Организация перевозки с полным сопровождением» (499 руб.), а стоимость перевозки рассчитывается автоматически: выбираем лучшую цену, применяем наши скидки от ТК на перевозку и упаковку. Важно: рассчитанная стоимость – ориентировочная. После упаковки и взвешивания возможна корректировка – разницу покупатель обязан доплатить на основании транспортной расписки (прозрачно, без скрытых переплат).

Варианты оплаты доставки:

  • Указание адреса при заказе не является основанием для доставки до адреса. Товар по умолчанию поставляется до терминала ТК в вашем городе получения (исключение: СДЭК и DPD – доставка до адреса возможна при весе посылки не более 40 кг).
  • Стоимость доставки и транспортировочной упаковки оплачивает покупатель.
  • Цена доставки может превышать цену товара.
  • Сроки доставки: от 10 до 30 календарных дней (зависят от правил выбранной ТК).
СПОСОБЫ ОПЛАТЫ:
QR, картой, переводом

Выбирайте то, что удобно:

  • Онлайн банковской картой — через защищённый платёжный шлюз
  • По счёту — банковский перевод по реквизитам
  • По QR‑коду — быстро и без лишних действий

Оплата наличными и при получении недоступна.

Все заказы принимаются только при 100% предоплате в соответствии с условиями договора.

Гарантия на товар

Гарантия 12 месяцев

Danfoss MLZ — герметичные спиральные компрессоры MLZ048T4LQ9A Компрессор спиральный 121L8809 предоставляется с гарантией 12 месяцев с момента покупки.

Условия гарантии:
  • Гарантия распространяется на производственные дефекты
  • Гарантийный талон должен быть заполнен и заверен печатью продавца
  • Товар должен использоваться по назначению и в соответствии с инструкцией
  • Гарантия не распространяется на повреждения, вызванные неправильной установкой или эксплуатацией
Важная информация:

Гарантийные обязательства выполняются в рамках законодательства РФ о параллельном импорте. Для предъявления претензий по гарантии необходимо обратиться к продавцу.

Цена по запросу
Товар: "Обои виниловые бежевые 0.70 м 919653 RASCH Safrano" добавлен в корзину
Оформить заказ
Товар добавлен в корзину
Оформить заказ
Ваша оценка учтена
Общая оценка товара: 3.5
Вывод сообщения о неверном действии со стороны пользователя
Сообщение об успешном действии: отправлена форма, успешный вход и т.д.
Сообщение об успешном действии: отправлена форма, успешный вход и т.д.